您好,欢迎访问星空网页版登录入口_星空(中国)网站!

联系我们

联系我们

星空网页版登录入口_星空(中国)

手机:133-4266-6888

电话:0769-81383685

邮箱:changmin896@163.com

地址:广东省东莞市石排镇庙边王龙田西路1号

网址:www.gourmetfoodgarden.com/

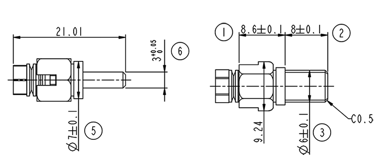
台灯转轴 CM029-001

规格:CM029-001
外观:8*21
扭力:6-7KGF.CM
寿命:5000次测试,扭力衰减15%以内
材质:SK7+1215
咨询热线:133-4266-6888

产品介绍

台灯转轴 CM029-001
台灯金属支架转轴,转轴自带自锁功能,0度180度自闭合,经典结构能适用于市面上大部分爆款折叠台灯。


专注精密五金转轴实体厂家
专业转轴工程师为您的产品量身定制各类转轴
地址:广东省东莞市石排镇庙边王龙田西路1号
电话:0769-81383685
手机:133-4266-6888
Copyright © 2021 星空网页版登录入口_星空(中国) 版权所有,违权必究 粤ICP备18051942号
咨询

电话

133-4266-6888

扫一扫加微信

扫一扫加微信

扫一扫加微信

公众号

微信公众号

微信公众号

微信小程序

微信小程序

微信小程序